- 国际通用全系列交流输入
- 内置主动PFC功能
- 效率高达90.5%
- 内置直流风扇强制冷却
- 遥控开关/遥感功能
- 保护类型:短路/过载/过压/过温
- 3年质量保证
RSP-500W系列是一款500W单输出外壳型交流转直流电源。全系列输入电压范围为 100 至 240VAC,并提供直流输出,可满足大多数工业需求。每个型号均可通过内部高速风扇进行风冷,工作温度为 70°C。此外,RSP-500W 还通过远程开/关控制和遥感等内置功能提供设计灵活性。
特征 :国际通用全系列交流输入
内置主动PFC功能
效率高达90.5%
内置直流风扇强制冷却
遥控开关/遥感功能
保护类型:短路/过载/过压/过温
3年质量保证
应用:工业控制或自动化设备
测试测量仪器
激光相关机器
老化设备
规格
| 模型 | RSP-500-12 | RSP-500-15 | RSP-500-24 | RSP-500-27 | RSP-500-48 | |
| 输出 | 直流电压 | 12V | 15V | 24V | 27V | 48V |
| 额定电压 | 41. 现场 | 查查 | 21A | 18. 沙 | 10.kha | |
| 电流范围 | 0~41.直播 | 0~zz.CHA | 0~21A | 0~18.SH | 0~10.kha | |
| 额定功率 | 500.4W | 501W | 504W | 502.或 | 504W | |
| 纹波噪声 | 150mVp-p | 150mVp-p | 150mVp-p | 150mVp-p | 150mVp-p | |
| 电压调节范围 | 10~13.2V | 10~13.2V | 20~26。周一 | 26~30V | 41~56V | |
| 电压精度 | ±1.0% | ±1.0% | ±1.0% | ±1.0% | ±1.0% | |
| 线性调整率 | ±0.3% | ±0.3% | ±0.2% | ±0.2% | ±0.2% | |
| 负载调整率 | ±0.5% | ±0.5% | ±0.5% | ±0.5% | ±0.5% | |
| 启动、上升、保持时间 | 1500ms、80ms、18ms/230VAC 3000ms、80ms、14ms/115VAC(满载时) | |||||
| 输入 | 电压范围 | 100~240VAC,142~339VDC | ||||
| 频率范围 | 47~63赫兹 | |||||
| 功率因数 | PE>0.95/230VAC PE>0.98/115VAC(满载) | |||||
| 效率 | 0.88 | 0.88 | 0.89 | 0.895 | 0.905 | |
| 交流电 | Kh.A/115VAC 2.Takh/230VAC | |||||
| 浪涌电流 | 20A/115VAC 40A/230VAC | |||||
| 漏电流 | <2.0mA/240VAC | |||||
| 保护 | 超班 | 额定输出功率的105%~130% | ||||
| 保护方式:恒流限制,异常情况可自动 移除后恢复 |
||||||
| 过电压 | 13.8~16.2V | |||||
| 保护方式:关闭输出电压,重启后恢复 | ||||||
| 过温 | 关闭输出电压并自动恢复 温度下降 |
|||||
| RC+/RC-:0.8V:上电; 4~10V:电源关闭 | ||||||
| 环境 | 遥控开关 | 遥感补偿最大负载线压降为0.3V | ||||
| 遥感 | RTH2≥50℃±10℃ 风扇打开。 RTH2≤40°C±10°C 风扇关闭(3.3~5V风扇一直工作,2~48V风扇开关控制) | |||||
| 风扇控制(典型) | -30~+70°C(请参考“降额曲线”) | |||||
| 安全 | 工作温度、湿度 | 20%~90%RH,无凝结 | ||||
| 储存温度及湿度 | -40℃~+85℃; 10%-95% RH 非凝结 | |||||
| 温度系数 | ±0.03%/℃(0~50℃) | |||||
| 抗振性 | 10 ~ 500Hz,2G 10分钟/1个周期,X、Y、Z轴,持续时间60分钟 | |||||
| 合身标准 | 耐电压 | I/P-O/P:3KVAC I/P-FG:2KVAC O/P-FG:0.5KVAC | ||||
| 绝缘阻抗 | I/P-O/P、I/P-FG、O/P-FG:100M 欧姆/500VDC/25°C/70%RH | |||||
| 安全标准 | UL62368-1、EN/EN62368-1、GB4943.1 | |||||
| 电磁兼容发射 | 符合 EN 55032(CISPR 22)B 类、IEC/EN 61000-3-2、A 类 | |||||
| EMC 抗扰度 | 符合IEC/EN55035、IEC/EN61000-6-2、IEC/EN61000-4-2、3、4、5、6、8 | |||||
| 其他 | 平均无故障时间 | 分钟 1372.4K 小时Telcordia SR-332(Bellcore);最少 187.9K 小时MIL-HDBK-217F(25°C) | ||||
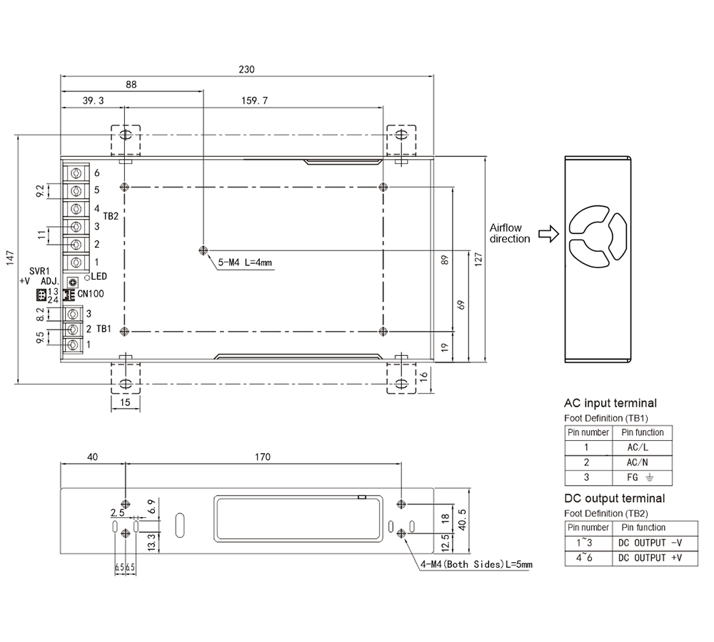
| 方面 | 230*127*40.5mm(长*宽*高) | |||||
| 重量/包装 | 1.3公斤/9件/12.7公斤/0.7立方英尺 | |||||
| 笔记 | 1. 除另有说明外,所有参数均在 230VAC 输入电压、额定负载和 25°C 条件下测量。 2、纹波和噪声电压是在20MHz带宽示波器上测量的,12英寸双绞线端,电容为0.1μ和47μ。 3、精度:电压设定误差、线性调整率、负载调整率。 4、线性调整率测量方法:在额定负载下,从低电压到高电压测试。 5、负载调整率测量方法:0%~100%额定负载。 6、电源应视为系统中部件的一部分,应与终端设备一起确认电磁兼容性。 | |||||
尺寸图

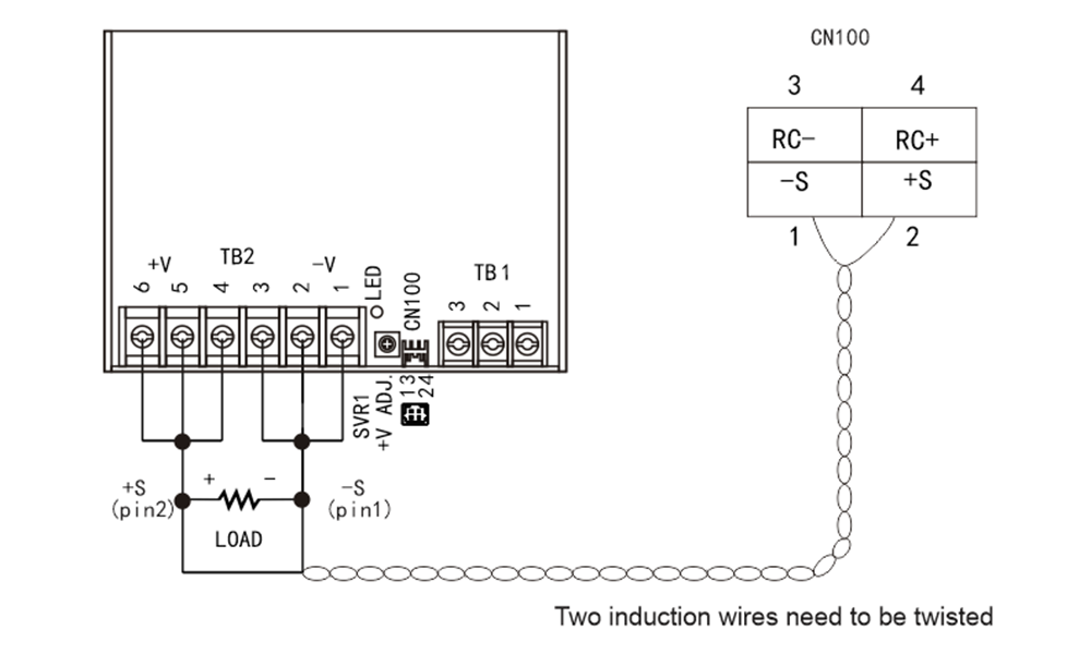
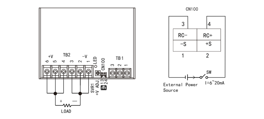
框图


本节介绍 CN100 的功能
| 引脚数 | 特征 | 描述 |
| 1 | -S | 感性信号-,-S连接到负载负端。 +S、-S应绞合以尽量减少噪音的影响。最大线路压降可补偿至0.3V。 |
| 2 | +S | 感性信号+、+S接负载正端,+S、-S应采用绞线,以尽量减少噪声的影响,最大线路压降可补偿至0.3V。 |
| 3 | RC- | 返回RC+信号输入 |
| 4 | 遥控+ | 电源通过引脚 4(RC+) 和引脚 3 (RC-) 之间的电子开关或干触点打开或关闭。 0~0.8V:开机,4~10V:关机 |
功能手册远程控制
可通过遥控器控制电源的开/关
| RC+(引脚 3)和 RC-(引脚 4)之间 | 输出状态 |
| 开关关闭(0~0.8V)或打开 | 打开 |
| 开机(4~10V) | 关闭 |
遥感
遥感补偿最大负载线压降为0.3V
需要更多信息或个人咨询?我们的产品和专业知识 旨在为您提供解决方案。